Help

资料 价格
供货 现货

 ICminer>Package Catalog:
  我的需求    收到报价    浏览热卖  |   我的热卖    库存管理    收到询价    需求浏览    我的报价  |   我的资料    退出 

A

B

C

D

E

F

G

H

I

J

L

P

Q

R

S

T

U

V

X

Z

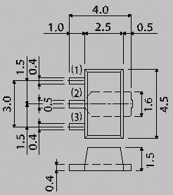
SOT89 SOT89

详细规格
SOT89

SOT89







Total found 3 in 1348


||||




盛明零件网 ICminer.com   服务及价格   银行资料   新用户注册     Tel:020-86000701   Fax:020-86000702          设为首页   收藏   工具条
    msn@icminer.com      QQ:525463 点击这里与我们联系
如果发信息后没有回应
请先加为好友
然后再点击   

第三方中介

Copyright ©1999-2019 ICminer, All rights reserved    广州易隆资讯科技有限公司    


粤ICP备05053605号